SDSoC用回路の追加
エラーのでないZynqberrydemo回路ができたら、SDSoCで使うプラットフォーム化する手順を説明します。
クロックモジュールの追加
Open Block Designで開いたら、+ボタンを押して、検索ダイアログにclk wizを入力します。
Clocking Wizardがヒットするので、これを追加します。

追加されたクロックモジュールをPS7の右のあたりにもってきて、ダブルクリックして開きます。
Output Clocksのタブを開き、clk_out1を100MHzに、clk_out2を200MHzにし、Reset TypeをLowにします。
これでOKを押します。
ZYNQのPS7のFCLK_CLK0をclk_wizのclk_in1に接続し、FCLK_RESET0_Nをresetnに接続します。

Validate Designした後でclk_wizを開いてみると、Input Clockの周波数が160MHzに変わっています。Vivadoではクロック周波数などはAutoにしておけば、Validate Designを行うことで伝搬させることができます。

リセットモジュールの追加
Block Designで+ボタンを押して、検索ダイアログにproc sys resetと入力します。

Processor System Resetがヒットするので、これを2個追加します。(上で作ったクロックの個数追加する)
- clk_out1をproc_sys_reset_0のslowest_sync_clkに
- clk_out2をproc_sys_reset_1のslowest_sync_clkに
- lockedをproc_sys_reset_0と1のdcm_lockedに
- PS7のFCLK_RESET0_Nををproc_sys_reset_0と1のext_reset_inに
それぞれつなぎます。
proc_sys_resetの出力はどこにもつなげずに、オープンにしておきます。
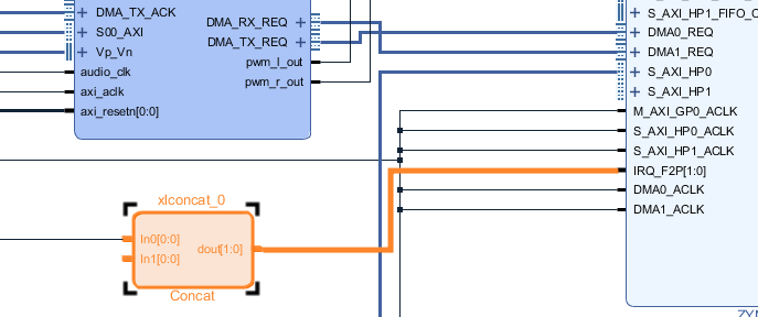
割り込み用concatの修正
SDSoCデザインでは割り込み信号をまとめるためのconcatを必要としますが、Zynqberryデザインではすでに存在しているので、これを利用します。

このxlconcat_0をダブルクリックして、設定を開きます。
Number of Portsを1にして、OKを押します。
割り込み用concatのサイズが縮小します。

デザインの完成
これでようやくプラットフォームデザインの完成です。
念のため、いちど、Generate BitStreamを行ってみてください。







